電動油圧式リフター/品番 MD18DEFN-D400-9T
| 電動油圧式リフター 品番 MD18DEFN-D400-9T 価格は上をクリックして下さい |
| 電動油圧式リフター/品番 MD18DEFN-D400-9T |
【詳細表示】 | |||||||||||||||||||||||||||||||||||||||||||||||||||||||||||||||||||||||||||||||||||||||||||||||||||||||||||||||||||||||||||||||||||||||||||||||||||||||||||||||||||||||||||||||||||||||||||||||||||||||||||||||||||||||||||
| 商品番号 | MD18DEFN-D400-9T |
価 格 | ||||||||||||||||||||||||||||||||||||||||||||||||||||||||||||||||||||||||||||||||||||||||||||||||||||||||||||||||||||||||||||||||||||||||||||||||||||||||||||||||||||||||||||||||||||||||||||||||||||||||||||||||||||||||||
![]() |
狭い隙間もラクラク作業できるスタンダードタイプ 狭いスペースや通路でのパレットの搬送移動に便利でし。 耐荷重:400〜600kg |
電動油圧式リフター 品番 MD18DEFN-D400-9T 価格は下記をご覧下さい | ||||||||||||||||||||||||||||||||||||||||||||||||||||||||||||||||||||||||||||||||||||||||||||||||||||||||||||||||||||||||||||||||||||||||||||||||||||||||||||||||||||||||||||||||||||||||||||||||||||||||||||||||||||||||||
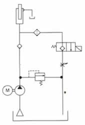
| ■特長 ●楽々簡単移動のバッテリー式のリフターです。 ●ソフトタッチのレバースイッチで昇降楽々操作。 ●上昇時の衝撃を極力抑えた安全設計。 ●ゴルフカート用の長寿命”EB"バッテリーを搭載。 ●自動充電器搭載でいつでもどこでも充電OK(AC100V)。 ●充電器のコード(2m)はひきずる心配のない自動巻き取り式です。 ●1回の充電力は最大均等荷重で連続30回上下出来ます。 ●見やすいバッテリー残量計付き。 ●過負荷防止バルブ付き。 ●PCフローコントロール(積載荷重が変化しても、下降スピードを一定に保ちます)。 ■油圧回路図 ![]() ■電気回路図 ![]() ■ユニット内部 ![]() ![]() ■寸法図 ![]() ![]() ■外形寸法 (単位:mm)
※脚にフォークをかぶせた時の最低高さは約13.5〜19mm高くなります。
※脚にフォークをかぶせた時の最低高さは約13.5〜19mm高くなります。 | ||||||||||||||||||||||||||||||||||||||||||||||||||||||||||||||||||||||||||||||||||||||||||||||||||||||||||||||||||||||||||||||||||||||||||||||||||||||||||||||||||||||||||||||||||||||||||||||||||||||||||||||||||||||||||||
同一カテゴリの物流機器:
足踏式油圧リフター(大車輪)/品番 MD18BFN-H300-9BT
電動油圧式リフター(大車輪)/品番 MD18BFN-D400-9BT
電動油圧式リフター(2段マスト)/品番 MD18WMFN-D200W-22STD
自動式カウンターリフター/品番 M37PL-100015シリーズ
油圧リフトユニット/品番 SSOM−300/SSOM−500
クランプ・アタッチメント付ステンレスリフト/品番 ST-50F
電動リフター/品番 KH−5100-A/KH−5200-A/KHD-510-A/KHD−520-A
高揚程リフト 品番 SLMH240/SLMH500 シリーズ
舞台照明用リフター/品番 M285T-20/M285T-25
固定型手動リフター(100kg大)/品番 M238A-50SJ
固定型手動リフター(100kg小)/品番 M238A-35SJ
油圧ジャッキ式固定型手動リフター(150kg)/品番 M238A-45SJA
スクリュー式移動型手動リフター(100kg)/品番 M238A-35SJ1
スクリュー式移動型手動リフター(80kg)/品番 M238A-35AJ1
手動リフトキャリー(150kgハンドル型)/品番 M231S150
手動リフトキャリー(100kgレバー型)/品番 M231S100L
手動リフトキャリー(100kgハンドル型)/品番 M231S100
キャリーリフター・キャリーリフトハイ/品番 SCL シリーズ
ロール運搬リフター/品番 SSCシリーズ/SPL-H200-12SR
バッテリー式パワーリフター(2段式・電動走行)/品番 SPLW−D・SPL−U シリーズ
バッテリー式パワーリフター/品番 SPL−D350 シリーズ
リーチ型パワーリフター/品番 SPL-H350-15R リーチ型パワーリフター電動バッテリータイプ詳細
両面パレット対応型パワーリフター/品番SPL-D1000-15J
ミニジブクレーン型パワーリフター/品番 OD-H350-12G
低床フォーク式リフター/品番 M227BE-200FLシリーズ
ホイストフレコンハンガー吊り具/品番 M1007SH-1000KGS
フォークリフトフレコンハンガー/品番 M1007SF-1200KGS
フレコンバック吊り具(フォークリフト用)/品番 MD268A-500
ウインチアームリフト/品番 M303MC-500H/M303MC-1000H
ステンレスリフター/品番 MB17P-100K/MB17P-150K
ステンレスハンドリフト/品番 MB17L-100KYSシリーズ
電動ステンレスハンドリフト/品番 MB17M-100KYSシリーズ
油圧反転ハンドリフト/品番 MB17MF200-24Cシリーズ
電動油圧リフト/品番 MB17M350-25/MB17M500-25
スチールフット油圧リフト/品番 MB17L120-9シリーズ
油圧ジブ型リフト/品番 MB17GL150/MB17MGL150
ステンレスジブアームリフト/品番 MB17HGL150シリーズ
バッテリー油圧リフター/品番 M227PAD-1016シリーズ
2段マストバッテリー油圧リフト/品番 M227E-D250W22ST
電動ジブ型リフト/品番 M131V-150E/M131V-150
電動油圧式リフト走行アシスト付/品番 MC30T50Aシリーズ
手動リフター台車・電動リフター台車/品番 MC30X10Wシリーズ
手動リフトキャリー(高揚程車輪幅大)/品番 M231SH-100
手動リフトキャリー(高揚程)/品番 M231SW-100シリーズ
バッテリー式油圧パワーリフター/品番 M37L-D35015シリーズ
電動走行油圧パワーリフター/品番 M37L-U35015シリーズ
電動走行油圧パワーリフター/品番 M37L-SU50015シリーズ
1100mmパレット用リフター/品番 M37H200-15Jシリーズ
ステンレス油圧リフター/品番 M227EH250-12SUS
アルミハイリフトベース幅可変式/品番 M285GL-4Nシリーズ
足踏油圧手動式リフター/品番 M82LF-H1509シリーズ
電動油圧カウンターリフト/品番 MD18FNK-D350-15T
ジブリフト(足踏式)/品番 MD18FN-H500-15JTシリーズ
リーチ型電動油圧アシストリフト/品番 MB17M-200RE
電動アシストドライブ/品番 MB17E-1000K/MB17E-1500K
低床油圧テーブル式リフター/品番 MB17L-150-8LK
物流機器カテゴリ
おすすめ商品 アルミ製運搬車 ドラム缶運搬車 ハンドパレット パレット パレット台車 コゾウリフター コンテナ ゴミ箱 プレス製台車 ステンレス作業台 ステンレス台車 ホワイトラスティー ボックスパレット マルチキャリー マワール ワゴン 安全用品 作業台 作業用イス(オフィスチェア) 手動リフター 台車 台車リフト 棚 電動テープルリフト 電動台車 鉄板台車 平台車 油圧ハンドリフター 物流機器その他 荷崩れ防止用品 電動油圧フォークリフト タンク 油圧テーブルリフト 長尺物運搬車 季節商品(夏) 集塵機 フレコンバック吊り具 マット、作業用マット、玄関マット物流機器関連タグ
ターミナルワゴン , チルトピックリフト , アルミパレットスライド , アルミワークテナー , アルミ伸縮平台車 , エコアールイーパレット , エルゴノミックプラ台車 , ドラム缶運搬車 , ハンドトラック , ハンドパレットトラック , パレット , パレットトラック , コンテナ一輪車 , サポートベルト , フレコン つりぐ 吊具 フレコンハンガ フレコンフック , ステンレス作業台 , スクラップ鉄板台車 , ペール用キャリー , メッシュボックスパレット , ロールターン , 移動台車リフター , 延長スライドフォーク爪 , 荷崩れ防止用品 , 滑り止め , 簡単組立移動パレットラック , 機密書類回収箱 , 空圧式細霧冷却クーラー 細霧クーラー , 充電コードリール , 小型作業台 , 足踏み式リフター , 足踏式テーブルリフト , 帯電防止ワゴン , 台車 , 台車用電動ドライブユニット , 大型コンテナ , 電動リフター , 電動油圧フォークリフト , 導電イス , 導電マット






